• tháp phun FRP
  • tháp phun FRP
  • tháp phun FRP
  • tháp phun FRP
  • tháp phun FRP
  • tháp phun FRP
  • tháp phun FRP
  • tháp phun FRP
  • tháp phun FRP
  • tháp phun FRP
  • tháp phun FRP

tháp phun FRP

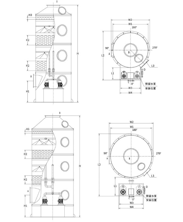
Tháp phun FRP (còn gọi là tháp lọc sương axit) là thiết bị xử lý khí thải dạng ướt có vỏ bằng nhựa gia cố sợi thủy tinh (FRP). Nó kết hợp khả năng chống ăn mòn, trọng lượng nhẹ, độ bền cao và chi phí thấp. Chức năng cốt lõi của nó là loại bỏ các chất ô nhiễm hòa tan có tính axit hoặc kiềm khỏi khí thải thông qua sự kết hợp giữa tiếp xúc ngược dòng khí-lỏng, truyền khối qua chất độn và hấp thụ hóa học/vật lý.

Nguyên tắc làm việc (Quy trình bốn bước)
Cơ chế mô tả quy trình giai đoạn
1. Cửa nạp khí thải: Khí thải ô nhiễm được quạt đưa vào tháp từ phía dưới và được phân bổ đều qua bộ phân phối khí. Điều này ngăn ngừa sự lệch dòng và cải thiện hiệu quả hấp thụ.
2. Truyền khối qua chất độn: Khí thải chảy lên trên qua lớp chất độn FRP (vòng Pall/vòng Raschig), tại đây nó tiếp xúc ngược dòng với chất lỏng hấp thụ (dung dịch kiềm, axit hoặc nước) được phun từ trên xuống dưới. Tăng diện tích tiếp xúc khí-lỏng và kéo dài thời gian lưu trú.
3. Phản ứng hấp thụ: Các chất ô nhiễm như HCl, HF, NH₃, H₂S, SO₂ và sương axit cromic trong khí thải bị hòa tan hoặc trung hòa bởi chất lỏng tẩy rửa, tạo ra muối vô hại. Phản ứng hóa học: Ví dụ: HCl NaOH → NaCl H₂O.
4. Khử sương và phát thải: Khí tinh khiết đi qua vách ngăn FRP hoặc thiết bị khử khí bằng lưới thép để loại bỏ các giọt trước khi được quạt trên cao thải ra theo tiêu chuẩn tiêu chuẩn. Ngăn chặn ô nhiễm thứ cấp “khói trắng”

Môi trường khí áp dụng (Kịch bản điển hình)
Đặc tính khí chế biến công nghiệp
Hóa chất/Dược phẩm: HCl, HF, H₂S, NH₃, SO₂, HCN, v.v. Nồng độ cao, ăn mòn mạnh, nhiệt độ cao (≤80°C)
Mạ điện/Tẩy: Sương mù axit cromic, sương mù axit nitric, hydro xyanua. Chứa ion kim loại nặng, có tính oxy hóa mạnh
Nhà máy đốt rác/xử lý nước thải: Mùi hôi (NH₃, H₂S), mercaptan hữu cơ, Thành phần phức tạp, phát thải không liên tục
Điện tử/Bán dẫn: Silane, phosphine, NOₓ, Bụi có chứa Flo và silicon
Phòng thí nghiệm/In ấn: Formaldehyde, phenol, VOC, Nồng độ dao động lớn, thể tích không khí thấp

Ưu điểm của vật liệu FRP
- Khả năng chống ăn mòn mạnh: Chịu được ngâm lâu trong axit clohydric 30%, axit sunfuric 50%, axit flohydric và dung dịch kiềm.
- Nhẹ và cường độ cao: Trọng lượng chỉ bằng 1/4 trọng lượng thép nhưng có cường độ gần bằng thép nên dễ dàng lắp đặt và vận chuyển.
- Cách nhiệt tuyệt vời: Thích hợp cho những vị trí có thiết bị điện, ngăn chặn sự tích tụ tĩnh điện.
- Phạm vi nhiệt độ: -30°C đến 80°C (nhựa đặc biệt có thể đạt tới 120°C).

Phòng ngừa
- Đối với khí thải có chứa axit flohydric sử dụng nhựa vinyl ester FRP để chống ăn mòn sợi thủy tinh.
- Đối với khí thải có nhiệt độ cao (>80°C) cần có bộ làm mát sơ bộ để ngăn chặn sự phân hủy FRP.
- Bảo dưỡng định kỳ: Kiểm tra tình trạng tắc vòi phun, tắc nghẽn đệm kín và tích tụ bụi của máy hút bụi 3-6 tháng một lần.

Tháp phun FRP sử dụng kết hợp phun hấp thụ hóa chất chuyển khối phun ngược dòng để xử lý hiệu quả sương mù axit, sương mù kiềm, mùi hôi và một số VOC. Trong các điều kiện làm việc ăn mòn như công nghiệp hóa chất, mạ điện, nhà máy xử lý nước thải và phòng thí nghiệm, nó kết hợp hiệu suất lọc cao (90-98%) với lợi thế về chi phí thấp. Đây là thiết bị được ưu tiên để xử lý lượng không khí vừa và nhỏ cũng như nồng độ khí thải có tính axit và kiềm từ trung bình đến cao.

Lựa chọn máy chà sàn hóa học
Bảng thông số kỹ thuật cho máy chà sàn dạng xịt đóng gói
Để thuận tiện và an toàn khi vận chuyển, máy chà sàn dạng xịt đóng gói PP được phân thành hai loại:
Loại 1: Máy chà sàn dạng xịt dạng thùng tích hợp (Đường kính tháp: Φ1000mm–Φ2200mm)
Loại 2: Máy chà sàn dạng phun dạng bình chứa nước dạng chia (Đường kính tháp: Φ2500mm–Φ3500mm)
Các mô hình tương ứng với công suất luồng không khí cho tháp đóng gói:

người mẫu Công suất luồng không khí (m³/h) Kích thước thiết bị Công suất bơm Độ dày đóng gói Tốc độ gió Vật liệu thiết bị
LRTL-600 0 - 1500m³/giờ Φ600×3000 0,75kw 500*2 1,48m/giây PP/304/Q235/FRP
LRTL-800 1501 - 2500m³/giờ Φ800×3000 0,75kw 500*2 1,39m/giây PP/304/Q235/FRP
LRTL-1000 2501 - 4000m³/giờ Φ1000×5000 1,5kw 500*2 1,42m/giây PP/304/Q235/FRP
LRTL-1200 4001 - 6000m³/giờ Φ1200×5000 2,2kw 500*2 1,48m/giây PP/304/Q235/FRP
LRTL-1500 6001 - 9500m³/giờ Φ1500×5000 3,75kw 500*2 1,5m/giây PP/304/Q235/FRP
LRTL-1800 9501 - 14000m³/h Φ1800×5000 5,5kw 500*2 1,53m/giây PP/304/Q235/FRP
LRTL-2000 14001 - 17000m³/h Φ2000×6000 5,5kw 500*2 1,5m/giây PP/304/Q235/FRP
LRTL-2200 17001 - 20000m³/h Φ2200×6000 7,5kw 500*2 1,46m/giây PP/304/Q235/FRP
LRTL-2500 20001 - 27000m³/h Φ2500×6000 7,5kw 500*2 1,53m/giây PP/304/Q235/FRP
LRTL-2800 27001 - 33000m³/h Φ2800×6000 15kw 500*2 1,49m/giây PP/304/Q235/FRP
LRTL-3000 33001 - 38000m³/h Φ3000×6800 15kw 500*2 1,49m/giây PP/304/Q235/FRP
LRTL-3200 38001 - 44000m³/h Φ3200×6800 15kw 500*2 1,52m/giây PP/304/Q235/FRP
LRTL-3500 44001 - 55000m³/h Φ3500×6800 15kw 500*2 1,5m/giây PP/304/Q235/FRP

Lưu ý: Thiết kế tùy chỉnh có thể được cung cấp theo yêu cầu của khách hàng.

Sơ đồ lựa chọn:

Công ty TNHH Tập đoàn Bảo vệ Môi trường Hàng Châu Lvran

  • 1000+

    Bộ phận Dịch vụ Khách hàng

  • 2000+

    Các trường hợp kỹ thuật quốc gia

Hangzhou Lvran Environmental Protection Group Co., Ltd. Đây là nhà cung cấp dịch vụ kỹ thuật hệ thống xử lý khí thải toàn diện và nhà sản xuất thiết bị, tích hợp nghiên cứu và phát triển, dịch vụ kỹ thuật, thiết kế, sản xuất, lắp đặt kỹ thuật và dịch vụ hậu mãi.

chúng tôi là Trung Quốc tháp phun FRP nhà cung cấpBán buôn tháp phun FRP Công ty xuất khẩu. Tập đoàn là một doanh nghiệp công nghệ cao cấp quốc gia, một doanh nghiệp khoa học và công nghệ cấp tỉnh Chiết Giang, một trung tâm nghiên cứu và phát triển khu vực, và một đơn vị tín dụng được xếp hạng AAA. Tập đoàn sở hữu hơn 30 bằng sáng chế kiểu dáng công nghiệp, nhiều bằng sáng chế phát minh và bản quyền phần mềm. Tập đoàn này có sự hợp tác nghiên cứu và phát triển công nghệ lâu dài với các trường đại học và viện nghiên cứu trong nước, bao gồm "Trung tâm Nghiên cứu và Phát triển Đổi mới Môi trường" được thành lập chung với Đại học Khoa học và Công nghệ An Huy và "Trung tâm Nghiên cứu và Phát triển Công nghệ Mới về Năng lượng Plasma và Môi trường" được thành lập chung với Đại học Khoa học và Công nghệ Chiết Giang. Tập đoàn đã thành lập các cơ sở nghiên cứu và phát triển cũng như sản xuất riêng để thực hiện hợp tác công nghệ chuyên sâu. Tập đoàn sở hữu công nghệ xử lý khí VOC cốt lõi và có chứng chỉ nhà thầu xây dựng hạng II cho các công trình công cộng đô thị, giấy phép sản xuất an toàn, chứng chỉ thiết kế đặc biệt hạng B về kiểm soát ô nhiễm môi trường tại tỉnh Chiết Giang, chứng chỉ dịch vụ lao động không phân loại và chứng chỉ nhà thầu chuyên nghiệp kỹ thuật đặc biệt. Tập đoàn đã đạt chứng nhận hệ thống quản lý chất lượng quốc tế ISO9001, chứng nhận hệ thống quản lý môi trường ISO14001 và chứng nhận hệ thống quản lý an toàn và sức khỏe nghề nghiệp ISO45001.

Giấy chứng nhận danh dự

Những giải thưởng sau đây nêu bật những thành tựu xuất sắc của chúng tôi. Chúng tôi đã chinh phục được khách hàng bằng các sản phẩm chất lượng cao và nhận được nhiều lời khen ngợi từ thị trường và mọi tầng lớp xã hội nhờ dịch vụ tuyệt vời.

  • Thiết bị cơ bản và lò phản ứng điện trường cao dạng tấm để ngăn chặn rò rỉ dọc theo bề mặt
  • Thiết bị phản ứng tổng hợp metanol sử dụng cacbon dioxit và nước và phương pháp tổng hợp metanol sử dụng cacbon dioxit và nước
  • Máy lọc bụi tĩnh điện tự làm sạch
  • Quạt cao áp chống ăn mòn có chức năng điều chỉnh hướng gió
  • Quạt công suất cao tự làm sạch có thể điều chỉnh
  • Hệ thống kiểm soát tiền xử lý khí thải khí hóa xúc tác kết hợp
  • Hệ thống xử lý và lọc khí thải trường tĩnh điện liên tục làm sạch bằng hơi nước
  • Hệ thống thiết bị lọc khí thải quang phân UV plasma nhiệt độ thấp
  • Giấy chứng nhận đăng ký nhãn hiệu
Tin tức và sự kiện gần đây
Chia sẻ với bạn
Xem thêm tin tức