Bán buôn Máy chà sàn ướt dạng lốc xoáy

  • Máy chà sàn ướt dạng lốc xoáy

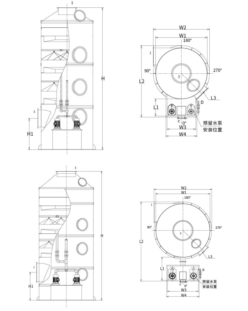
Máy chà sàn ướt dạng lốc xoáy

Tháp lọc lốc xoáy thường có thân tháp hình trụ được trang bị các tấm vách ngăn xoắn ốc. Trong quá trình vận hành, khí thải đi từ đáy tháp theo phương tiếp tuyến và đi lên trên. Được dẫn hướng bởi các lưỡi của tấm vách ngăn, khí xoắn ốc hướng lên trên, phun chất lỏng chảy xuống tấm thành những giọt nhỏ. Điều này tạo ra một diện tích tiếp xúc khí-lỏng lớn. Các giọt được dòng khí mang theo và quay, tạo ra lực ly tâm giúp tăng cường tương tác khí-lỏng. Cuối cùng, các giọt nước được ném lên thành tháp, chảy dọc theo thành tháp tới tấm vách ngăn tiếp theo và được tái nguyên tử hóa bởi dòng khí để tiếp xúc thêm. Như đã mô tả, chất lỏng đạt được sự tiếp xúc hoàn toàn với khí trong khi vẫn duy trì sự phân tách hiệu quả—giảm thiểu sự cuốn theo sương mù. Khả năng chịu tải khí-lỏng của hệ thống này cao hơn gấp đôi so với các tấm vách ngăn thông thường.

Điều kiện tiếp xúc khí-lỏng tuyệt vời của tháp đảm bảo hấp thụ hiệu quả khí thải bằng chất lỏng kiềm. Ngoài ra, tháp lọc lốc xoáy còn thể hiện hiệu suất loại bỏ bụi vượt trội. Các hạt bụi trong khí bị giữ lại bởi sương nước trên các tấm vách ngăn xoắn ốc, đồng thời các hạt và giọt bắn lên thành tháp bằng lực ly tâm cũng được loại bỏ một cách hiệu quả. Kết quả là khí thoát ra khỏi tháp mang theo bụi và giọt tối thiểu. Tốc độ gió của tháp trống dao động trong khoảng 2,2–2,7 m/s.

Cấu trúc tháp phun xoáy:
Như trên hình: Hệ thống chà rửa dạng phun đóng gói hoàn chỉnh bao gồm các bộ phận sau:

● Thân tháp làm bằng tấm PP (polypropylen);

● Khung được làm bằng vách ngăn xoắn ốc PP;

● Phun các ống nối làm bằng UPVC (polyvinyl clorua không dẻo);

● Vòi phun xoắn ốc PP;

● Bơm tuần hoàn PP chống ăn mòn;

● Lớp khử khí (loại lưới/xoáy/vách ngăn);

● Thiết bị bổ sung nước bằng tay và tự động;

● Ống tràn và thoát nước;

● Cửa sổ kiểm tra.

Thông số lựa chọn tháp tấm lốc xoáy:
Để đảm bảo sự thuận tiện và an toàn khi vận chuyển, tháp lọc lốc xoáy PP được chia thành hai loại thông số kỹ thuật:

Loại 1: Máy chà sàn lốc xoáy tích hợp bồn chứa nước (Đường kính tháp: Φ1000mm-Φ2200mm)

Loại 2: Máy chà sàn lốc xoáy bồn nước loại rời (Đường kính tháp: Φ2500mm-Φ3500mm)


Các mẫu tháp lọc lốc xoáy tương ứng với công suất luồng không khí:

người mẫu Phạm vi thể tích không khí Kích thước thiết bị Công suất máy bơm nước Số lượng lưỡi xoáy Phạm vi tốc độ gió Vật liệu thiết bị
XL-600 0-2800m³/giờ Φ600×2950 0,75kw 2 0-2,76m/giây PP/304/Q235/FRP
XL-800 3800-5000m³/giờ Φ800×3300 0,75kw 2 2,11-2,77m/giây PP/304/Q235/FRP
XL-1000 6000-7500m³/giờ Φ1000×4380 1,5kw 2 2,13-2,66m/giây PP/304/Q235/FRP
XL-1200 8500-11000m³/giờ Φ1200×4430 2,2kw 2 2,09-2,71m/s PP/304/Q235/FRP
XL-1500 14000-17000m³/giờ Φ1500×5000 3,75kw 2 2,2-2,68m/giây PP/304/Q235/FRP
XL-1800 20000-25000m³/giờ Φ1800×5650 5,5kw 2 2,19-2,73m/giây PP/304/Q235/FRP
XL-2000 25001-30000m³/giờ Φ2000×6200 5,5kw 2 2,21-2,66m/giây PP/304/Q235/FRP
XL-2200 30001-37000m³/giờ Φ2200×6700 7,5kw 2 2,19-2,71m/giây PP/304/Q235/FRP
XL-2500 40000-47000m³/giờ Φ2500×6850 7,5kw 2 2,27-2,66m/giây PP/304/Q235/FRP
XL-2800 49000-58000m³/giờ Φ2800×7900 11kw 2 2,21-2,62m/giây PP/304/Q235/FRP
XL-3000 58000-68000m³/giờ Φ3000×8000 11kw 2 2,28-2,67m/giây PP/304/Q235/FRP
XL-3200 68000-78000m³/giờ Φ3200×8000 15kw 2 2,35-2,7m/giây PP/304/Q235/FRP
XL-3500 78000-88000m³/giờ Φ3500×8000 15kw 2 2,25-2,54m/giây PP/304/Q235/FRP

Lưu ý: Thiết kế không chuẩn có thể được thực hiện theo yêu cầu của khách hàng.

Sơ đồ lựa chọn:

Công ty TNHH Tập đoàn Bảo vệ Môi trường Hàng Châu Lvran

  • 1000+

    Khách hàng đơn vị dịch vụ

  • 2000+

    Các trường hợp kỹ thuật quốc gia

Công ty TNHH Tập đoàn Bảo vệ Môi trường Hàng Châu Lvran là nhà cung cấp dịch vụ kỹ thuật và sản xuất thiết bị hệ thống xử lý khí thải toàn diện, tích hợp R&D, dịch vụ kỹ thuật, thiết kế, sản xuất, lắp đặt kỹ thuật và dịch vụ hậu mãi.

We are China Máy chà sàn ướt dạng lốc xoáy Suppliers and Wholesale Máy chà sàn ướt dạng lốc xoáy Exporter, Company. Tập đoàn là một doanh nghiệp công nghệ cao quốc gia, một doanh nghiệp khoa học và công nghệ của tỉnh Chiết Giang, một trung tâm R&D khu vực và một đơn vị tín dụng được xếp hạng AAA. Nó nắm giữ hơn 30 bằng sáng chế mô hình tiện ích, nhiều bằng sáng chế và bản quyền phần mềm. Tập đoàn có mối quan hệ hợp tác R&D kỹ thuật lâu dài với các trường đại học và tổ chức trong nước, bao gồm "Trung tâm R&D Đổi mới Môi trường" được thành lập với Đại học Khoa học và Công nghệ An Huy và "Trung tâm R&D Công nghệ Mới Môi trường và Năng lượng Plasma" cùng phát triển với Đại học Khoa học Công nghệ Chiết Giang. Tập đoàn đã thành lập cơ sở R&D và sản xuất riêng để hợp tác kỹ thuật chuyên sâu. Tập đoàn sở hữu công nghệ xử lý khí VOC cốt lõi, có chứng chỉ hợp đồng chung Cấp 2 về xây dựng công trình công cộng đô thị, giấy phép sản xuất an toàn, chứng chỉ thiết kế đặc biệt Loại B để kiểm soát ô nhiễm môi trường ở tỉnh Chiết Giang, chứng chỉ dịch vụ lao động không được phân loại và hợp đồng chuyên biệt cho các dự án đặc biệt. Tập đoàn được chứng nhận ISO9001 về chất lượng quốc tế, ISO14001 về quản lý môi trường và ISO45001 về an toàn và sức khỏe nghề nghiệp.

DANH HIỆU & CHỨNG NHẬN

Những danh hiệu sau đây đại diện cho sự xuất sắc của chúng tôi. Chúng tôi giành được khách hàng bằng các sản phẩm chất lượng cao và giành được sự đánh giá cao từ thị trường và mọi tầng lớp xã hội bằng các dịch vụ tốt.

  • Thiết bị cơ bản và lò phản ứng điện trường cao dạng tấm để ngăn chặn rò rỉ dọc theo bề mặt
  • Thiết bị phản ứng tổng hợp metanol sử dụng cacbon dioxit và nước và phương pháp tổng hợp metanol sử dụng cacbon dioxit và nước
  • Máy lọc bụi tĩnh điện tự làm sạch
  • Quạt cao áp chống ăn mòn có chức năng điều chỉnh hướng gió
  • Quạt công suất cao tự làm sạch có thể điều chỉnh
  • Hệ thống kiểm soát tiền xử lý khí thải khí hóa xúc tác kết hợp
  • Hệ thống xử lý và lọc khí thải trường tĩnh điện liên tục làm sạch bằng hơi nước
  • Hệ thống thiết bị lọc khí thải quang phân UV plasma nhiệt độ thấp
  • Giấy chứng nhận đăng ký nhãn hiệu
Tin tức và sự kiện gần đây
Chia sẻ với bạn
Xem thêm tin tức