Bán buôn Máy chà sàn hóa học

  • Máy chà sàn hóa học

Máy chà sàn hóa học

Máy chà sàn hóa học là một bộ lọc chà tiên tiến. Nó sử dụng một cấu trúc đặc biệt và diện tích bề mặt riêng lớn của bao bì thông thường như bao bì chuyển khối và khử nước. Đồng thời, tùy theo các thành phần gây mùi khác nhau trong mùi mà axit, kiềm và chất oxy hóa tương ứng được sử dụng làm nước giặt hấp thụ để loại bỏ mùi hôi trong không gian và loại bỏ tác động đến môi trường xung quanh.

Luồng khí có mùi được vận chuyển qua ống dẫn khí và đi vào tháp từ cửa vào của tháp. Sau khi vào tháp, nó đi qua lớp đóng gói từ dưới lên trên, và cuối cùng được thải ra khỏi cửa xả đường ống trên đỉnh tháp thông qua quạt chống ăn mòn. Dung dịch trung hòa đi qua thiết bị tách chất lỏng trên đỉnh tháp, phun đều vào lớp đóng gói, chảy xuống dọc theo bề mặt của lớp đóng gói cho đến khi thải ra từ đáy tháp qua đường ống và được tuần hoàn bằng bơm tuần hoàn chống ăn mòn. Khi nồng độ của các chất hòa tan trong luồng không khí đi lên ngày càng thấp, chức năng thanh lọc sẽ đạt được khi đạt đến đỉnh tháp và được thải ra hoặc tiếp tục được tinh chế qua bước tiếp theo. Ngược lại, nồng độ của môi trường trong chất lỏng đi xuống ngày càng cao hơn và đạt đến điều kiện xử lý khi chạm tới đáy tháp và được thải ra khỏi tháp.

Ưu điểm của tháp đóng gói phun: Hiệu suất cao, khả năng chứa chất lỏng nhỏ, trọng lượng nhẹ và vận hành dễ dàng, cho phép công nhân bắt đầu ngay lập tức. Chất độn có thể được lựa chọn theo các điều kiện làm việc do khách hàng cung cấp. Có nhiều loại, và vòng bi chống ăn mòn thường được sử dụng. Tuy nhiên, cần lưu ý rằng chất rắn lơ lửng có thể làm tắc nghẽn chất độn do đường kính hạt lớn nên nhìn chung không thích hợp để xử lý chất rắn. Ví dụ: NH₃, HCl, H₂S, oxit nitơ và khí thải hữu cơ do các nhà máy tạo ra có thể được xử lý hiệu quả bằng thiết bị này.

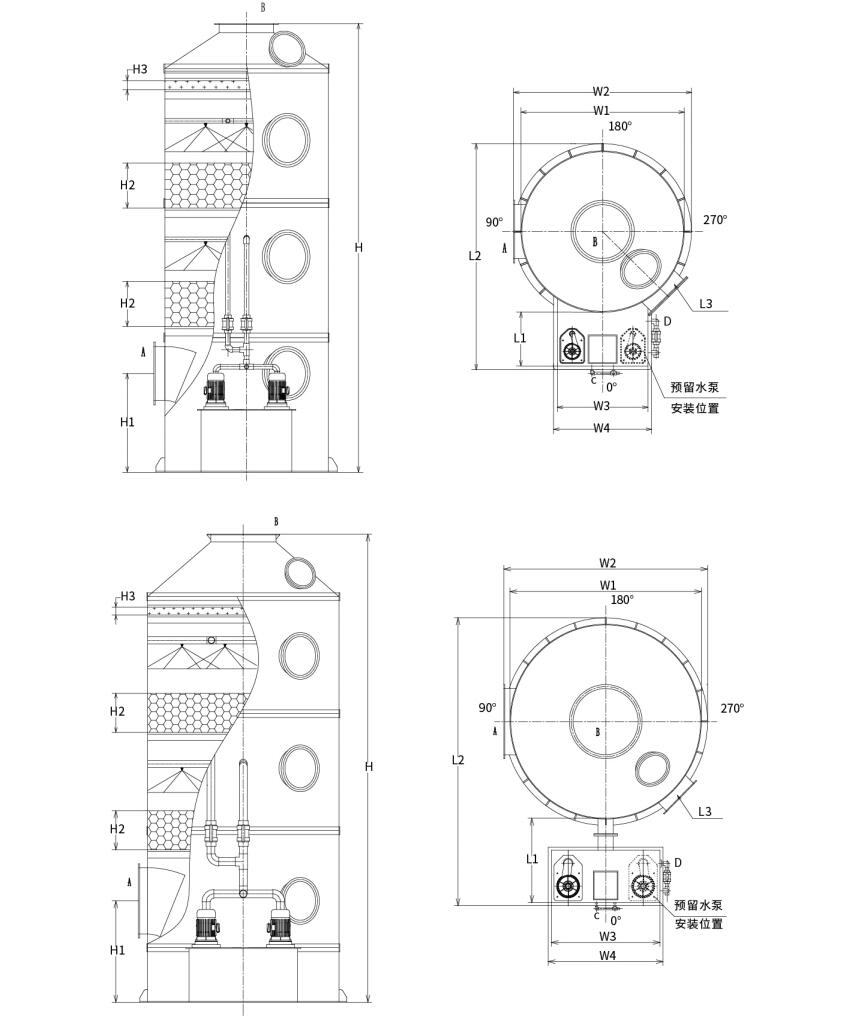
Cấu trúc máy chà sàn hóa học:
Như trên hình: Hệ thống chà rửa dạng phun đóng gói hoàn chỉnh bao gồm các bộ phận sau:

1. Thân tháp làm bằng tấm PP (polypropylen);

2. Khung đỡ bao bì làm bằng tấm lưới PP;

3. Phun ống nối bằng nhựa UPVC;

4. Vòi phun xoắn ốc PP;

5. Đóng gói bóng rỗng hoặc vòng Pall;

6. Bơm tuần hoàn PP chống ăn mòn;

7. Lớp lưới demister;

8. Thiết bị bổ sung nước bằng tay và tự động;

9. Ống tràn, thoát nước;

10. Cửa sổ kiểm tra.

Lựa chọn máy chà sàn hóa học:
Bảng thông số kỹ thuật của máy chà sàn dạng xịt đóng gói

Để đảm bảo sự thuận tiện và an toàn khi vận chuyển, máy chà sàn dạng xịt đóng gói PP được chia làm 2 loại:

Loại 1: Máy chà sàn dạng xịt tích hợp bình chứa nước (Đường kính tháp: Φ1000mm-Φ2200mm)

Loại 2: Máy chà sàn dạng xịt dạng bình chứa nước dạng chia (Đường kính tháp: Φ2500mm-Φ3500mm)


Thông số kỹ thuật của model tương ứng với công suất luồng không khí:

người mẫu Khối lượng không khí Kích thước thiết bị Công suất máy bơm nước độ dày điền Tốc độ gió Vật liệu thiết bị
LRTL-600 0-1500m³/giờ Φ600x3000 0,75kw 500*2 1,48m/giây PP/304/Q235/FRP
LRTL-800 1501-2500m³/giờ Φ800x3000 0,75kw 500*2 1,39m/giây PP/304/Q235/FRP
LRTL-1000 2501-4000m³/h Φ1000x5000 1,5kw 500*2 1,42m/giây PP/304/Q235/FRP
LRTL-1200 4001-6000m³/h Φ1200x5000 2,2kw 500*2 1,48m/giây PP/304/Q235/FRP
LRTL-1500 6001-9500m³/h Φ1500x5000 3,75kw 500*2 1,5m/giây PP/304/Q235/FRP
LRTL-1800 9501-14000m³/giờ Φ1800x5000 5,5kw 500*2 1,53m/giây PP/304/Q235/FRP
LRTL-2000 14001-17000m³/giờ Φ2000x6000 5,5kw 500*2 1,5m/giây PP/304/Q235/FRP
LRTL-2200 17001-20000m³/giờ Φ2200x6000 7,5kw 500*2 1,46m/giây PP/304/Q235/FRP
LRTL-2500 20001-27000m³/giờ Φ2500x6000 7,5kw 500*2 1,53m/giây PP/304/Q235/FRP
LRTL-2800 27001-33000m³/giờ Φ2800x6000 15kw 500*2 1,49m/giây PP/304/Q235/FRP
LRTL-3000 33001-38000m³/giờ Φ3000x6800 15kw 500*2 1,49m/giây PP/304/Q235/FRP
LRTL-3200 38001-44000m³/giờ Φ3200x6800 15kw 500*2 1,52m/giây PP/304/Q235/FRP
LRTL-3500 44001-55000m³/giờ Φ3500x6800 15kw 500*2 1,5m/giây PP/304/Q235/FRP

Lưu ý: Thiết kế không chuẩn có thể được tùy chỉnh theo yêu cầu của khách hàng.

Sơ đồ lựa chọn:

Công ty TNHH Tập đoàn Bảo vệ Môi trường Hàng Châu Lvran

  • 1000+

    Khách hàng đơn vị dịch vụ

  • 2000+

    Các trường hợp kỹ thuật quốc gia

Công ty TNHH Tập đoàn Bảo vệ Môi trường Hàng Châu Lvran là nhà cung cấp dịch vụ kỹ thuật và sản xuất thiết bị hệ thống xử lý khí thải toàn diện, tích hợp R&D, dịch vụ kỹ thuật, thiết kế, sản xuất, lắp đặt kỹ thuật và dịch vụ hậu mãi.

We are China Máy chà sàn hóa học Suppliers and Wholesale Máy chà sàn hóa học Exporter, Company. Tập đoàn là một doanh nghiệp công nghệ cao quốc gia, một doanh nghiệp khoa học và công nghệ của tỉnh Chiết Giang, một trung tâm R&D khu vực và một đơn vị tín dụng được xếp hạng AAA. Nó nắm giữ hơn 30 bằng sáng chế mô hình tiện ích, nhiều bằng sáng chế và bản quyền phần mềm. Tập đoàn có mối quan hệ hợp tác R&D kỹ thuật lâu dài với các trường đại học và tổ chức trong nước, bao gồm "Trung tâm R&D Đổi mới Môi trường" được thành lập với Đại học Khoa học và Công nghệ An Huy và "Trung tâm R&D Công nghệ Mới Môi trường và Năng lượng Plasma" cùng phát triển với Đại học Khoa học Công nghệ Chiết Giang. Tập đoàn đã thành lập cơ sở R&D và sản xuất riêng để hợp tác kỹ thuật chuyên sâu. Tập đoàn sở hữu công nghệ xử lý khí VOC cốt lõi, có chứng chỉ hợp đồng chung Cấp 2 về xây dựng công trình công cộng đô thị, giấy phép sản xuất an toàn, chứng chỉ thiết kế đặc biệt Loại B để kiểm soát ô nhiễm môi trường ở tỉnh Chiết Giang, chứng chỉ dịch vụ lao động không được phân loại và hợp đồng chuyên biệt cho các dự án đặc biệt. Tập đoàn được chứng nhận ISO9001 về chất lượng quốc tế, ISO14001 về quản lý môi trường và ISO45001 về an toàn và sức khỏe nghề nghiệp.

DANH HIỆU & CHỨNG NHẬN

Những danh hiệu sau đây đại diện cho sự xuất sắc của chúng tôi. Chúng tôi giành được khách hàng bằng các sản phẩm chất lượng cao và giành được sự đánh giá cao từ thị trường và mọi tầng lớp xã hội bằng các dịch vụ tốt.

  • Thiết bị cơ bản và lò phản ứng điện trường cao dạng tấm để ngăn chặn rò rỉ dọc theo bề mặt
  • Thiết bị phản ứng tổng hợp metanol sử dụng cacbon dioxit và nước và phương pháp tổng hợp metanol sử dụng cacbon dioxit và nước
  • Máy lọc bụi tĩnh điện tự làm sạch
  • Quạt cao áp chống ăn mòn có chức năng điều chỉnh hướng gió
  • Quạt công suất cao tự làm sạch có thể điều chỉnh
  • Hệ thống kiểm soát tiền xử lý khí thải khí hóa xúc tác kết hợp
  • Hệ thống xử lý và lọc khí thải trường tĩnh điện liên tục làm sạch bằng hơi nước
  • Hệ thống thiết bị lọc khí thải quang phân UV plasma nhiệt độ thấp
  • Giấy chứng nhận đăng ký nhãn hiệu
Tin tức và sự kiện gần đây
Chia sẻ với bạn
Xem thêm tin tức